Beschleuniger: Back on Track
erschienen am 10.11.2009

Ob Rückenprobleme, Sehnen- und Bänderverletzungen oder Prellungen - immer mehr benutzen Produkte von Back on Track, um vorzubeugen und auch den Heilungsprozess zu unterstützen. Und das alles ohne dass man sich einer Dopinggefahr aussetzt!
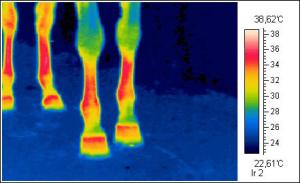
Back on Track Produkte bestehen aus keramischen Material , welches die Körperwärme in Form von Infrarotwärme reflektiert - eine Energieform, die nachweisbar schmerzstillend wirkt. Die reflektierte Wärme kann Entzündungen hemmen, Anspannungen der Muskeln lösen, die Durchblutung steigern und Heilungsprozesse beschleunigen.
Back on Track wird benutzt, um vor körperlichem Training oder vor körperlicher Arbeit die Muskeln zu erwärmen. So reduziert man das Risiko von Überlastung und Verletzungen. Die wichtigste Funktion der Schoner ist jedoch ihre Fähigkeit, die Heilung bereits erlittener Verletzungen zu beschleunigen.
Ob Mensch oder Pferd, von der Abschwitzdecke, Bandage, Schabracke bis zum Ellenbogen- oder Kreuzschoner, gibt es für fast alle Beschwerden etwas. Nutzen Sie jetzt unsere 5 Prozent Nachlaß auf alle Back on Track Produkte!



